| Index | wersja polska
|
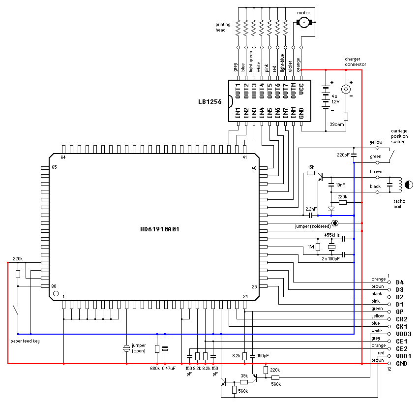
The microprocessor gets its power from the calculator (the internal rechargeable battery powers only the printing mechanism and the LB1256 driver).
The thermal head pulse width is ca. 1.5 ms.
The tacho magnet is attached to the motor's shaft.
It allows (along with the switch) to determine the head position.