Index wersja polska wersja polska

Elektronika MK-90 read-only memory cartridge

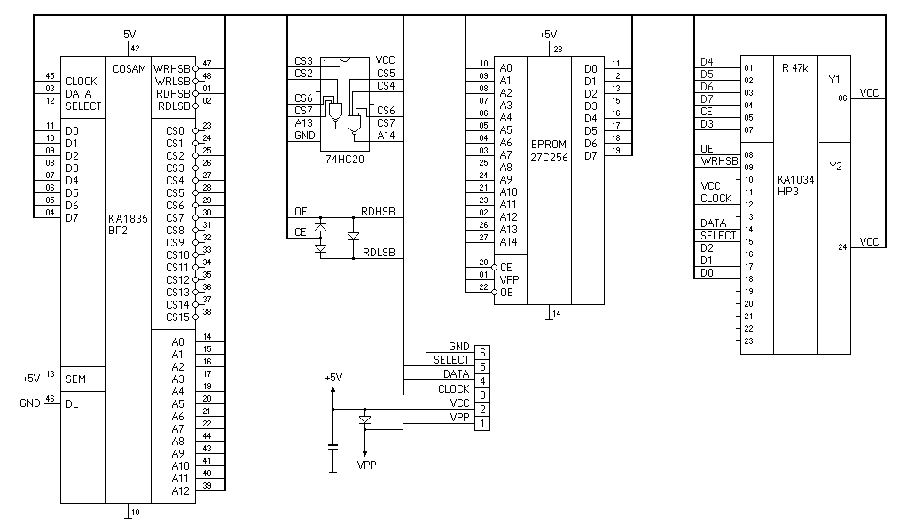
The photos and schematic were kindly contributed by Mahmoud Yassine.

Description

The cartridge stores firmware for an MK-90 controlled gamma-ray spectrometer. It's equivalent to conventional MPO-10 ones, except that the RAM chips are replaced with an EPROM and some glue logic.

What's inside

Photograph of the PCB (top side)

Photograph of the PCB with removed EPROM chip

Photograph of the PCB (bottom side)

Circuit diagram

Circuit diagram