Index wersja polskawersja polska

Casio PB-700 - hardware


The System Bus

See the FX-700P system bus description.


Random Access Memory

See the HD61914 chip description. The PB-700 uses 4 of them.


The Expansion Port

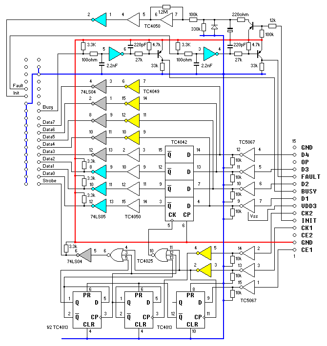
expansion port

Pin functions

Expansion
Port Pin
Symbol Function
1CE1 chip enable of the printer interface, active low
2GND ground (positive supply voltage rail)
3CE2 chip enable of the cassette interface, active low
4CK1 bi-phase clock
5INIT output for the printer control signal INIT
6CK2 bi-phase clock
7VDD3 -5V when operational, 0V when stand-by
8D1 data 1
9BUSY input for the printer status signal BUSY
10D2 data 2
11FAULT input for the printer status signal FAULT
12D3 data 3
13OP register select
14D4 data 4
15GND ground (positive supply voltage rail)

The Cassette Interface

The cassette subsystem in the FA-4 interface is almost identical with the FA-3 one, so the tape interface protocol used by the FX-700P applies to the PB-700 as well.

However, there's an interesting quirk in the PB-700 protocol. The calculator writes to the tape more data than reads back. For example the last 3 bytes of the file header segment remain unread. To skip these data the calculator inserts a close/open sequence between the segments which causes loss of a few bytes read from the tape. This effectively places the tape head to the lead-in of the next file segment. Seems like a kludge to me...


The Printer Interface

The printer communication protocol can be easily figured out from the circuit diagram of the FA-4 parallel port interface.